4635
Keystone Electronics
НУЖЕН АНАЛОГ?
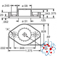
Технические характеристики
- Продукт Component Mounts
- Тип Transistor
- Материал Nylon
- Размер отверстий для монтажа -
- Длина 34.93 mm
- Внешний диаметр 14.73 mm
- Толщина 9.53 mm
- Размер резьбы -
- Тип разъёма -
- Упаковка -
